top of page

PIANKA ZZ 330
Pianka do ogniochronnego zabezpieczania:
-
Przejść kombinowanych
-
Rur palnych w izolacji
-
Rur niepalnych w izolacji
-
Kabli i koryt kablowych
Dowiedz się więcej > Kup na platformie zakupowej >
>> PRODUKTY >> KOŁNIERZE OGNIOCHRONNE >> CARBOCOLLAR CC SMOOTH / SEGMENT >> ZASTOSOWANIE
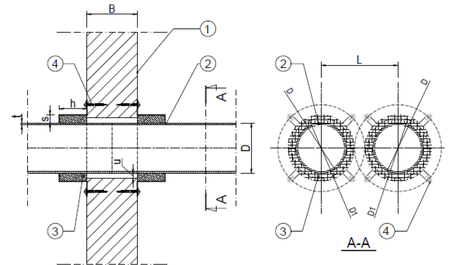
SPOSÓB ZABEZPIECZENIA RURY Z TWORZYWA SZTUCZNEGO BEZ IZOLACJI PRZECHODZĄCEJ PRZEZ ŚCIANĘ WEDŁUG ETA-16/0189*
1 - ściana sztywna o grubości B = min. 100 mm
2 - rura z tworzywa sztucznego o średnicy „D” i grubości ścianki „t”
3 - przestrzeń między izolacją rury a konstrukcją ściany o szerokości u = max. 15 mm,
wypełniona tynkiem gipsowym na głęb. min. 10 mm
4 - kołnierz ogniochronny CarboCollar CC na zewnątrz ściany, mocowany po
obu stronach ściany
1 - ściana podatna o grubości B = min. 125 mm
2 - rura z tworzywa sztucznego o średnicy „D” i gr. ścianki „t”; przestrzeń między
izolacją rury a konstrukcją ściany o szer. u = max. 15 mm
3 - kołnierz ogniochronny CarboCollar CC na zewnątrz ściany, mocowany po
obu stronach ściany
4 - mocowanie kołnierza ogniochronnego - stalowy łącznik mocujący M6x60 lub M8x80
* Szczegółowe wytyczne dotyczące zastosowań kołnierzy CarboCollar CC podane są w ETA-16/0189
Wypełnij szczelnie przestrzeń pomiędzy ścianą rury a przegrodą. Stosuj zaprawę cementową
Załóż kołnierz ogniochronny na rurę. W przypadku kołnierzy o średnicy CC-125 i większej z obudową segmentową S, najpierw owiń czterokrotnie rurę wkładem pęczniejącym a później załóż obudowę stalową na wierzch
Przeciągnij zawleczkę mocującą klamry spinającej przez slot mocujący na drugim końcu kołnierza ogniochronnego i zawiń ją o 180° do tyłu, tak by kołnierz został solidnie zamknięty na rurze
Przytwierdź kołnierz ogniochronny do ściany za pomocą stalowych kołków do muru. Nie używaj mocowań zawierających elementy z plastiku
Oznacz wykonane przejście metryczką informacyjną dołączoną do zestawu. Zaznacz na metryczce kołnierze ogniochronne CarboCollar, wpisz datę wykonania zabezpieczenia i nazwę wykonawcy
Wypełnij szczelnie przestrzeń pomiędzy ścianą rury a przegrodą. Stosuj zaprawę cementową
Załóż kołnierz ogniochronny na rurę. W przypadku kołnierzy o średnicy CC-125 i większej z obudową segmentową S, najpierw owiń czterokrotnie rurę wkładem pęczniejącym a później załóż obudowę stalową na wierzch
Przeciągnij zawleczkę mocującą klamry spinającej przez slot mocujący na drugim końcu kołnierza ogniochronnego i zawiń ją o 180° do tyłu, tak by kołnierz został solidnie zamknięty na rurze
Przytwierdź kołnierz ogniochronny do ściany za pomocą stalowych kołków do muru. Nie używaj mocowań zawierających elementy z plastiku
Oznacz wykonane przejście metryczką informacyjną dołączoną do zestawu. Zaznacz na metryczce kołnierze ogniochronne CarboCollar, wpisz datę wykonania zabezpieczenia i nazwę wykonawcy
MONTAŻ KOŁNIERZA OGNIOCHRONNEGO CARBOCOLLAR CC NA RURZE Z TWORZYWA SZTUCZNEGO PRZECHODZĄCEJ PRZEZ ŚCIANĘ SZTYWNĄ I PODATNĄ
bottom of page












